索尼magnescale位移传感器DK205PR5
特征
量测范围:205mm
分辨率:0.5um
附磁性接触点量测头DZ-181
型号
输出信号种类 | 分辨率※1 | 量测范围 | 精度 (20℃下) | 原点 | 反应速度 | 耐震动(10~2000 Hz) | 耐冲撃(11 ms) | 保护等级 | 使用温度范围 | 保存温度范围 | 电源电压 | 消费电力 | 线缆长度 | 外观直径 | 重量※2 | 检测物表面 | 磁性接触点量测头 | 伸缩量测轴※3 | 输出线缆长度(连接至后续电子装置) | 附属配件 | ※1如果你想连接LT30系列,MG系列,LY70系列,需要分别设置对应的分辨率。有关详细设定方法,请参阅各自的使用说明书。 |
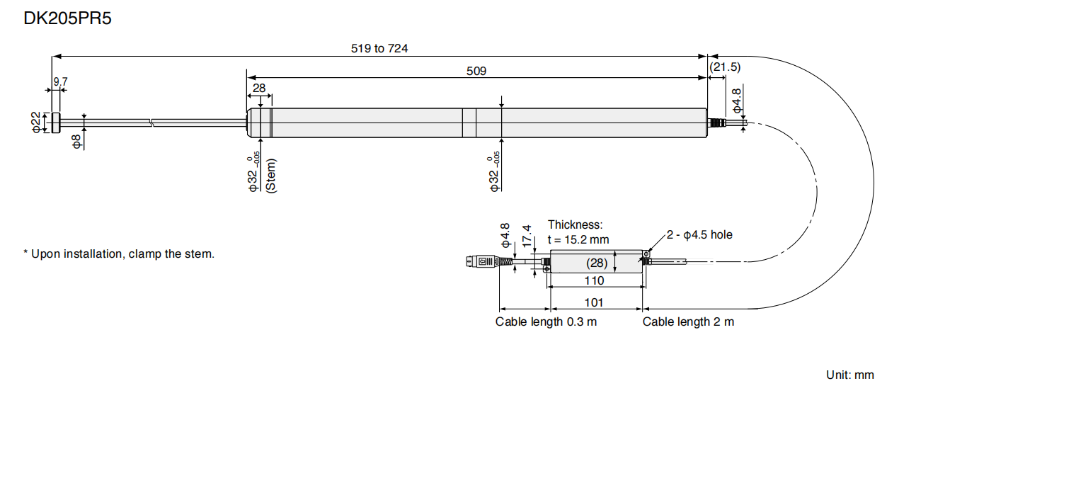
DK205系列探规尺寸:

网站客服咨询客服
热线电话:
13962107506
