LY72数显表
LY72数显表系统配置
RS-232C标准功能
峰值保持功能,便于统计测量
方便的外部输入功能,用于自动测量
显示分辨率切换
数据存储
重置/预设/重新启动
检测测量单元的参考点
缩放闪烁控制

LY72数显表技术参数
| 规格 | |||
|---|---|---|---|
magnescale保留更改产品规格的权利,恕不另行通知。 | |||
| 型 | LY72 | ||
| 按应用分类的规格 | 作为量规的应用(设置轴标签 A、B 和 C) | 作为比例的应用程序(设置轴标签 X、Y 和 Z) | |
| 输入轴数 | 1 至 3 轴 | ||
| 显示 | 7 位数字和减号显示,琥珀色 | ||
| 显示数据 | 电流(第 1 轴、第 2 轴、加法轴)、最大值、最小值和峰峰值 | 电流(第 1 轴、第 3 轴、加法轴) | |
| 输入分辨率 |
| ||
| 显示分辨率 | 测量单位输入分辨率或更高且支持的英寸单位 | ||
| 输入信号 | A/B 正交信号、Z 信号(符合 EIA-422 标准) | ||
| 闹钟显示 | 测量单元断开连接、超速、超出最大显示量、电源故障、存储数据错误 | ||
| 重置 | 当前值复位,报警取消 | ||
| 重新启动 | 重新启动每个轴/所有轴的峰值计算 | – | |
| 预设 | 每个轴最多可以存储/编辑三个值。 | ||
| 主校准功能 | 电源打开后,当经过参考点时,主校准值被重新定位。 | – | |
| 参考点操作 | 可以为每个轴存储/编辑一个值(不使用主校准功能时)。 | ||
| 保持功能 |
| 显示保持 | |
| 线性补偿 | 固定补偿金额应用于测量单位的计数值。补偿量 标准:±600 μm/m(扩展:±1000 μm/m) | ||
| 缩放 | 0.100000~9.999999 | ||
| 输入/输出 |
| ||
| 定时器输出 | 关/0.2/0.5/1/5/10/30/60/300秒 | ー | |
| 输出数据 | 当前值/最大值/最小值 峰峰值 | 当前值 | |
| 电源 | DC 12 V 额定值 0.75 A,最大 1 A AC 100 V 至 240 V ±10 % 使用交流适配器 PSC-22(仅适用于美国)或 PSC-23(适用于欧洲和其他国家/地区)时 *选件 | ||
| 功耗 | 最大 32 VA 连接到交流适配器。 | ||
| 温度 | 工作温度 : 0~40°C(非冷凝), 存储 : -20~60°C(非冷凝) | ||
| 质量 | 约1.5公斤 | ||
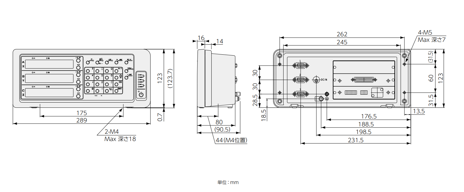
LY72数显表产品尺寸

LY72数显表
LY72
交流适配器
| PSC-21A | 交流适配器(AC100V用于日本) | |
| PSC-22A | 交流适配器(美国交流 120V) | |
| PSC-23A | 交流适配器(AC220 至 240V,适用于除欧盟以外的其他国家/地区) | |
网站客服咨询客服
热线电话:
13962107506
