与硬接线应用的所有马波斯测头兼容的E32U接口处理从测头接收的信号,并将此信号直接传输到机床CNC。
E32U接口单元转换接触式测头生成的信号,以便机床CNC可处理这些信号。
单元的前板上有一个用于I/O连接的终端块和三个LED灯,这些灯表明了何时将单元连接到电源以及测头与接口的状态。
LED灯提供了以下信息:
绿色LED灯:表明测头电源状态
黄色LED灯:触摸时会闪光
红色LED灯:表明接口故障状态
单元顶部上的5个开关使得易于设置系统操作模式。
用于所有测头类型的单一接口
自动识别连接测头的类型
安装与设置快速简单
E32U放大器 电器模块,信号接入模块马波斯量仪工作原理
本系统可识别空间点信息通过数控CNC系统,这些点的侦测通过接触式测头里的多向高精度微动开关,然后通过电缆线将信号发给E32U接口,并由该接口将信号适配给数控系统进行处理。 该系统易于使用,可用于十分恶劣的工业生产环境。
可进行:
工件测量:(测头A)
- 加工前找位
- 加工前确定材料切除量
- 加工后测量
刀具测量:(测头B)
- 换刀后或加工前,刀具对刀
- 检查刀具磨损
- 检查刀具完整性。
图2-1。E32U放大器 电器模块,信号接入模块马波斯量仪系统配置举例。
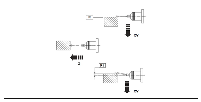
• 该系统可进行± x/ ±y/ +z方向的测量。
• 测针与被测表面接触生成信号,停止机床运动的同时利用该信号保存该触点的位置信息。 仅当测量速度保持不变时,才能保证测头的测量性能。
• 选定的测量速度必须可使机床在测头的超程范围内将机床轴停止运动。
• 使用测头前,需要执行校准操作步骤,以确定本“系统”(测头、机床和数控系统)的系统测量误差。系统误差的特点是其在各测量方向上的各异性和可重复性,因此,必须在各测量方向上执行校准操作步骤(不含TL25P/T25P测头,该测头可在单一方向校准然后适用于所有方向)。
为校准系统,在机床上测量已知值(R)的校准点,并计算已知值与测量值之差(R+K1)。 将该差值(K1)作为修正参数保存在数控系统中,当在该方向发生测量动作时,会自动调用该修正值进行补偿。

E32U接口 E32U接口将测头生成的信号转换为机床数控系统可识别的信号。 该接口的前端是12路端子接线板(D),用其连接测头端和数控机床端。端子接线板端提供三个LED指示灯,分别表示:
绿色LED(A):灯亮(ON)表示“电源接通”。
黄色LED(B):表示测头状态:
• 灯亮(ON),测针偏离时;
• 不亮(OFF),测头未偏离时。
红色LED(C):灯亮(ON)表示错误状态。
接口上端的五个开关(E)用于设置系统(参见第5章“设置系统”)。

32U放大器 电器模块,信号接入模块马波斯量仪开关说明


全部输出端都提供短路和过载保护功能。
电源内部设有保护电路,可避免电流过大和极性反接造成损坏

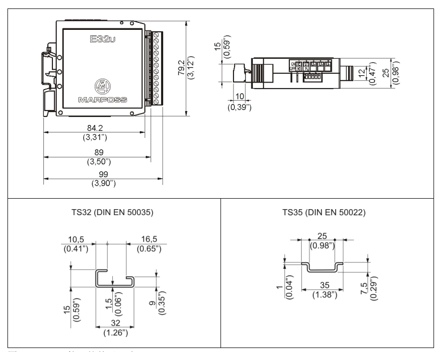
图3-6。E32U放大器 电器模块,信号接入模块马波斯量仪外形尺寸。
安装E32U接口 应将此接口模块安装在数控系统的电气柜内:
• 将此接口模块安装在DIN导轨上,并将其按压使卡扣卡入位。
• 连接地线电缆(参见第4.1.1章“地线连接”)。

图4-1。DIN导轨的标准组装图。
网站客服咨询客服
热线电话:
13962107506
