辅件
测量触头
球形触头 钢 ID 202504-01 硬质合金 ID 202504-02 红宝石 ID 202504-03 | 半球形触头 硬质合金 ID 229232-01 | 平面触头 钢 ID 270922-01 硬质合金 ID 202506-01 |
|
|
|
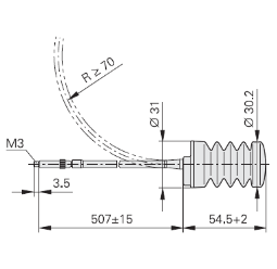
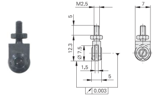
针形触头 钢 ID 202505-01 | 刀口形触头 钢 ID 202503-01 | |
|
|
|
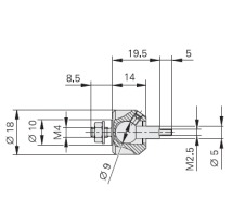
滚轮触头,钢 用于小摩擦力接触的运动表面 冠形 ID 202502-03 圆柱形 ID 202502-04 | 可调触头,硬质合金 用于精确找平测量台面 扁平形 ID 202507-01 刀口形 ID 202508-01 |
|
|
开关盒,联结器
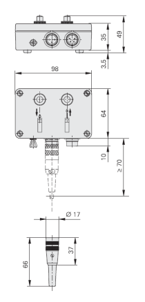
开关盒,用于CT 2501,CT 6001, MT 60 M,MT 101 M 电动驱动测量杆的长度计需要使用开关盒。测量杆用开关盒的两个按钮或外部信号控制。SG 25 M和SG 60 M开关盒可调测量力,有三个测量力档位。 SG 25 M ID 317436-01 SG 60 M ID 317436-02 SG 101 V1) 用于MT 101 M,垂直工作姿态 ID 361140-01 SG 101 H1) 用于MT 101 M,水平工作姿态 ID 361140-02 接头(孔式)3针 用于外部操作开关盒 ID 340646-05 1) 需单独电源供电 |
|
|
电源适配器SG 101 V/H 连接开关盒的电源适配器为 MT 101 M供电。 电压范围 100 V至240 V AC 可换插头适配器 (支持美国和欧洲标准的接头) ID 648029-01 |
|
|
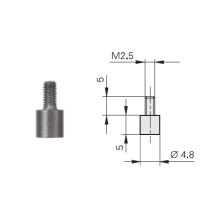
联结器 用于将长度计(特别是MT 60K,MT 101 K和CT 2502和CT 6002)的测量杆连接至机床运动部件 ID 206310-01 |
|
|
海德汉CERTO的辅件
测量座
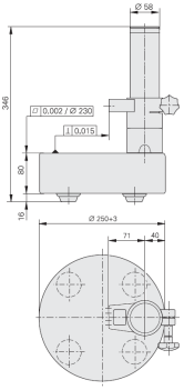
CS 200测量座
长度计 CT 2501* CT 6001
ID 221310-01
总高 350 mm
底座 φ250 mm
立柱 φ58 mm
重量 15 kg
*) 带特殊支架
CS 200的平面度用Fizeau干涉仪确定。
CS 200支架
用于带¬16 mm装夹杆的CT 2501
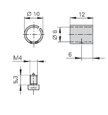
ID 324391-01
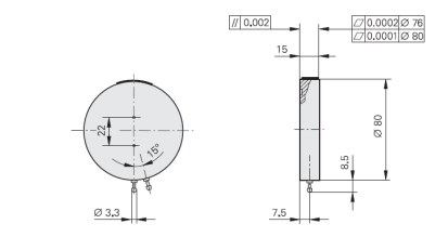
陶瓷吸盘,膜片式气泵
陶瓷吸盘 表面质量高和耐磨损,特别适合于量块检定。 ID 223100-01 量块(1级或2级)或任何其它带平面被测对象—被吸附在陶瓷盘的上表面。陶瓷吸盘同样被吸附在花岗岩底座上,用负压保持在位。 连接陶瓷吸盘和膜片式气泵所用零件。 压缩空气管3 m T形接头 连接件 |
|
膜片式气泵 吸附被测对象和陶瓷吸盘的负压气源。 功率消耗 20 W 重量 2.3 kg 线电压 230 V AC/50 Hz ID 754220-01 线电压 115 V AC/60 Hz ID 754220-02 |
|

德汉ACANTO,海德汉METRO和海德汉SPECTO的辅件
线缆式提升器,测量座
线缆提升器 用于手动驱动MT 1200和MT 2500型 长度计测量杆。 内置空气阻尼器可以降低测量杆伸出运动 速度,防止其回跳,例如在硬度较高的材 料表面。 ID 257790-0 |
|
|
MS 200型测量座 长度计 AT1) ST1) MT 12001) MT 25001) MT 60 M MT 101 M ID 244154-01 总高 346 mm 底座 φ250 mm 立柱 φ58 mm 重量 18 kg 1) 带特殊支架 MS 200支架 用于安装¬ 8 mm装夹杆的长度计,例如AT,ST, MT 1200,MT 2500 ID 324391-02 |
|
|
装夹套 长度计 AT,ST MT 1200 MT 2500 用于可靠固定长度计而不使8h6装 夹杆的夹紧力过大。 包括: 衬套、夹紧螺丝 ID 386811-01(1件) ID 386811-02(10件) |
|
|
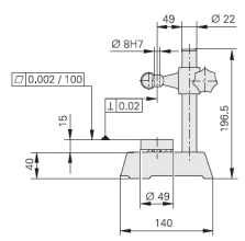
MS 45型测量座 长度计 AT, ST MT 1200 MT 2500 ID 202162-02 总高 196.5 mm 测量台 ¬φ49 mm 立柱 ¬ φ22 mm 重量 2.2 kg |
|
|
MS 100型测量座 长度计 AT ST MT 1200 MT 2500 MT 60 M1) MT 101 M1) ID 202164-02 总高 385 mm 测量台 100 mm x 115 mm 立柱 ¬ φ50 mm 重量 18 kg 1) 带特殊支架 |
|
|
MS 100支架 安装MT 60 M ID 207479-01 安装MT 101 M ID 206260-01 |
|
|
网站客服咨询客服
热线电话:
13962107506
