海德汉CERTO
增量式长度计I,精度± 0.1 μm/± 0.051) μm*/± 0.03 μm1)
• 超高精度
• 用于检测测量设备和量块
• 密珠导轨的测量杆
CT 2500
|
|
|
CT 6000
技术参数 | CT 2501 | CT 6001 | CT 2502 | CT 6002 |
测量杆的驱动 | 电机 | 通过联结器连接机床运动部件 | ||
测量基准 | Zerodur玻璃陶瓷基体的DIADUR相位光栅;栅距4 μm | |||
系统精度 | ± 0.1 μm, | ± 0.1 μm, | ± 0.1 μm, | ± 0.1 μm, |
19°C至21°C时 | ± 0.03 μm1) | ± 0.05 μm1) | ± 0.03 μm1) | ± 0.05 μm1) |
单信号周期位置误差 | ≤ ± 0.02 μm | |||
参考点 | 一个,在上止点下方约1.7 mm处 | |||
测量范围 | 25 mm | 60 mm | 25 mm | 60 mm |
测量力 | 电机 | 运动力2) | ||
径向力 | ≤ 0.5 N(机械允许) | |||
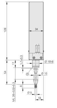
固定 | 装夹杆φ16h8 | 平面 | 装夹杆φ16h8 | 平面 |
工作姿态 | 按需(有关优选的工作姿态,参见安装) | |||
振动 55至2 000 Hz | ≤ 100 m/s2 (EN 60 068-2-6) | |||
工作温度 | 10 °C至40 °C;标准温度20 °C | |||
防护等级EN 60 529 | IP 50 | |||
重量不带电缆 | 520 g | 700 g | 480 g | 640 g |
电气参数 | CT 2501 | CT 6001 | CT 2502 | CT 6002 |
接口 | ~11 μAPP | |||
信号周期 | 2 μm | |||
测量速度 | ≤24 m/min(取决于后续电子电路) | |||
电气连接* | • 电缆长度1.5 m带D-sub接头(针式),15针 | |||
电缆长度 | ≤30 m | |||
电源 | 5 V DC ± 0.25 V/< 180> | 5 V DC ± 0.25 V/< 120> | ||
所需辅件* | 用于CT 2501 | 用于CT 6001 |
开关盒 | SG 25 M | SG 60 M |
* 请订购时选择
1) 在信号处理电子电路中进行线性误差补偿后
2) 测量杆运动所需力大小或其重量大小
网站客服咨询客服
热线电话:
13962107506
